- Ȩ > Á¦Ç°¼Ò°³ > ¹Ì´ÏÃò¾î ¸®´Ï¾î °¡À̵å
- ¹Ì´ÏÃò¾î ¸®´Ï¾î °¡À̵å
SJU/SJUL
SJWU/SJWUL
SJU/SJUL (Ç¥ÁØ À¯ÇѽºÆ®·ÎÅ© ŸÀÔ), SJWU/SJWUL (±¤Æø À¯ÇѽºÆ®·ÎÅ© ŸÀÔ)


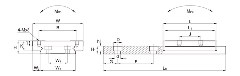
| ȣĪÇü¹ø | ¿ÜÇüÄ¡¼ö | ºí·ÏÄ¡¼ö | |||||||||
|---|---|---|---|---|---|---|---|---|---|---|---|
| H | E | W2 | ÃÖ´ë ½ºÆ®·ÎÅ© |
W | L | B x J | M x l | L1 | T | K | |
| SJU 7 | 8 | 1.5 | 5 | 8 | 17 | 27.6 | 12x8 | M2x2.5 | 25 | 3.3 | 6.5 |
| SJUL 7 | 13 | 37.6 | 12x13 | 35 | |||||||
| SJU 9 | 10 | 2.2 | 5.5 | 12 | 20 | 37.6 | 15x10 | M3x3 | 35 | 4.5 | 7.8 |
| SJUL 9 | 18 | 47.6 | 15x16 | 45 | |||||||
| SJU 12 | 13 | 3 | 7.5 | 15 | 27 | 37.6 | 20x15 | M3x3.5 | 35 | 5.5 | 10 |
| SJUL 12 | 20 | 52.6 | 20x20 | 50 | |||||||
| SJU 15 | 16 | 4 | 8.5 | 20 | 32 | 47.6 | 25x20 | M3x4 | 45 | 6.5 | 12 |
| SJUL 15 | 25 | 67.6 | 25x25 | 65 | |||||||
| ȣĪÇü¹ø | ·¹ÀÏÄ¡¼ö | Á¤°ÝÇÏÁß | Á¤¸ð¸àÆ® | Áú·® | |||||||||||
|---|---|---|---|---|---|---|---|---|---|---|---|---|---|---|---|
| W1 | H1 | F | D | d | h | G | Ç¥ÁØ ÃÖ´ë ±æÀÌ |
µ¿Á¤°Ý(C) N |
µ¿Á¤°Ý(C0) N |
MR0 N¡¤m |
MP0 N¡¤m |
MY0 N¡¤m |
ºí·Ï kg |
·¹ÀÏ kg/m |
|
| SJU 7 | 7 | 4.7 | 15 | ¥Õ 4.2 | ¥Õ 2.4 | 2.3 | 5 | 490 | 880 | 1370 | 0.3 | 0.3 | 0.5 | 0.010 | 0.23 |
| SJUL 7 | 1590 | 2500 | 0.8 | 0.8 | 0.9 | 0.015 | |||||||||
| SJU 9 | 9 | 5.5 | 20 | ¥Õ 6 | ¥Õ 3.5 | 3.3 | 7.5 | 1195 | 1420 | 2900 | 1.06 | 0.52 | 0.52 | 0.013 | 0.32 |
| SJUL 9 | 2597 | 3920 | 1.87 | 1.79 | 1.79 | 0.023 | |||||||||
| SJU 12 | 12 | 7.5 | 25 | ¥Õ 6 | ¥Õ 3.5 | 4.5 | 10 | 1195 | 2460 | 3626 | 1.5 | 0.82 | 0.89 | 0.029 | 0.59 |
| SJUL 12 | 4214 | 6566 | 2.72 | 2.45 | 2.66 | 0.043 | |||||||||
| SJU 15 | 15 | 9.5 | 40 | ¥Õ 6 | ¥Õ 3.5 | 4.5 | 15 | 1190 | 4018 | 5978 | 3.80 | 1.68 | 1.83 | 0.052 | 0.99 |
| SJUL 15 | 7154 | 10682 | 5.41 | 5.03 | 5.46 | 0.079 | |||||||||

| ȣĪÇü¹ø | ¿ÜÇüÄ¡¼ö | ºí·ÏÄ¡¼ö | |||||||||
|---|---|---|---|---|---|---|---|---|---|---|---|
| H | E | W2 | ÃÖ´ë ½ºÆ®·ÎÅ© |
W | L | B x J | M x l | L1 | T | K | |
| SJWU 9 | 12 | 3.7 | 6 | 17 | 30 | 42.6 | 21x12 | M3x3 | 40 | 4.5 | 8.3 |
| SJWUL 9 | 27 | 62.6 | 23x24 | 60 | |||||||
| SJWU 12 | 14 | 4 | 8 | 22 | 40 | 52.6 | 28x15 | M3x3.5 | 50 | 5.5 | 10 |
| SJWUL 12 | 32 | 70.6 | 28x28 | 70 | |||||||
| SJWU 15 | 16 | 3.7 | 9 | 27 | 60 | 62.6 | 45x20 | M4x4.5 | 60 | 6.5 | 12.3 |
| SJWUL 15 | 37 | 82.6 | 45x35 | 80 | |||||||
| ȣĪÇü¹ø | ·¹ÀÏÄ¡¼ö | Á¤°ÝÇÏÁß | Á¤¸ð¸àÆ® | Áú·® | ||||||||||||
|---|---|---|---|---|---|---|---|---|---|---|---|---|---|---|---|---|
| W1 | H1 | W3 | F | D | d | h | G | Ç¥ÁØ ÃÖ´ë ±æÀÌ |
µ¿Á¤°Ý(C) N |
µ¿Á¤°Ý(C0) N |
MR0 N¡¤m |
MP0 N¡¤m |
MY0 N¡¤m |
ºí·Ï kg |
·¹ÀÏ kg/m |
|
| SJWU 9 | 18 | 7.5 | - | 30 | ¥Õ 6 | ¥Õ 3.5 | 4.5 | 10 | 1190 | 2450 | 3920 | 3.67 | 1.66 | 1.66 | 0.03 | 0.99 |
| SJWUL 9 | 3520 | 5370 | 4.94 | 3.10 | 3.10 | 0.05 | ||||||||||
| SJWU 12 | 24 | 8.5 | - | 40 | ¥Õ 8 | ¥Õ 4.8 | 4.5 | 15 | 1190 | 4020 | 6080 | 4.86 | 1.75 | 1.9 | 0.05 | 1.42 |
| SJWUL 12 | 5960 | 9210 | 9.1 | 4.73 | 5.39 | 0.10 | ||||||||||
| SJWU 15 | 42 | 9.5 | 23 | 40 | ¥Õ 8 | ¥Õ 4.8 | 4.5 | 15 | 1190 | 6660 | 9800 | 13.91 | 3.6 | 3.9 | 0.12 | 2.93 |
| SJWUL 15 | 9910 | 14900 | 25.5 | 9.73 | 11.0 | 0.21 | ||||||||||





