- Home > Products > Miniature linear guides
- Miniature linear guides
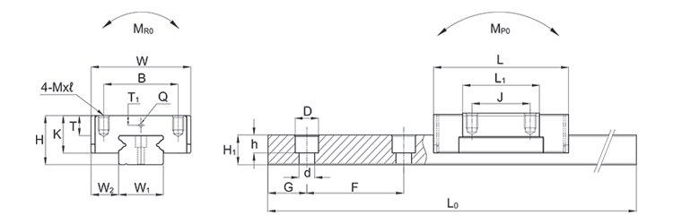
SJ
SJL
SJ (Standard type), SJL (Long type)


| Part no. | Assembly dimensions | Dimensions of block | ||||||||||
|---|---|---|---|---|---|---|---|---|---|---|---|---|
| H | E | W2 | W | L | B x J | M x l | L1 | T | K | T1 | Q | |
| SJ 5 | 6 | 1.5 | 3.5 | 12 | 16.9 | 8x- | M2x1.5 | 8.8 | - | 4.5 | 0.8 | - |
| SJ 7 | 8 | 1.5 | 5 | 17 | 22.9 | 12x8 | M2x2.5 | 13.5 | 3.3 | 6.5 | 1.6 | Φ 1 |
| SJL 7 | 32.4 | 12x13 | 23 | |||||||||
| SJ 9 | 10 | 2.2 | 5.5 | 20 | 30.4 | 15x10 | M3x3 | 17.8 | 4.5 | 7.8 | 2.3 | Φ 1 |
| SJL 9 | 40.8 | 15x16 | 28.2 | |||||||||
| SJ 12 | 13 | 3 | 7.5 | 27 | 35 | 20x15 | M3x3.5 | 19.8 | 5.5 | 10 | 2.7 | Φ 1 |
| SJL 12 | 47.6 | 20x20 | 32.4 | |||||||||
| SJ 15 | 16 | 4 | 8.5 | 32 | 43 | 25x20 | M3x4 | 25.4 | 6.5 | 12 | 3.1 | Φ 1 |
| SJL 15 | 58.8 | 25x25 | 41.2 | |||||||||
| Part no. | Dimensions of rail | Basic load rating | Allowabe static moment | Mass | |||||||||||
|---|---|---|---|---|---|---|---|---|---|---|---|---|---|---|---|
| W1 | H1 | F | D | d | h | G | Max. length |
Dynamic(C) N |
Staic(C0) N |
MR0 N·m |
MP0 N·m |
MY0 N·m |
Block kg |
Rail kg/m |
|
| SJ 5 | 5 | 4 | 15 | Φ 3.5 | Φ 2.4 | 1 | 5 | 295 | 320 | 590 | 0.15 | 0.22 | 0.22 | 0.003 | 0.14 |
| SJ 7 | 7 | 4.7 | 15 | Φ 4.2 | Φ 2.4 | 2.3 | 5 | 490 | 880 | 1370 | 0.3 | 0.3 | 0.5 | 0.010 | 0.23 |
| SJL 7 | 1590 | 2500 | 0.8 | 0.8 | 0.9 | 0.015 | |||||||||
| SJ 9 | 9 | 5.5 | 20 | Φ 6 | Φ 3.5 | 3.3 | 7.5 | 1195 | 1420 | 2900 | 1.06 | 0.52 | 0.52 | 0.013 | 0.32 |
| SJL 9 | 2597 | 3920 | 1.87 | 1.79 | 1.79 | 0.023 | |||||||||
| SJ 12 | 12 | 7.5 | 25 | Φ 6 | Φ 3.5 | 4.5 | 10 | 1195 | 2460 | 3626 | 1.5 | 0.82 | 0.89 | 0.029 | 0.59 |
| SJL 12 | 4214 | 6566 | 2.72 | 2.45 | 2.66 | 0.043 | |||||||||
| SJ 15 | 15 | 9.5 | 40 | Φ 6 | Φ 3.5 | 4.5 | 15 | 1190 | 4018 | 5978 | 3.80 | 1.68 | 1.83 | 0.052 | 0.99 |
| SJL 15 | 7154 | 10682 | 5.41 | 5.03 | 5.46 | 0.079 | |||||||||





