- 主页 > 产品展示 > 微型直线导轨
- 微型直线导轨
SJ
SJW
SJ (标准型下锁式), SJW (加宽型下锁式)


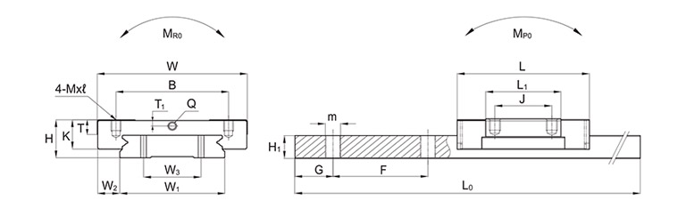
| 型号规格 | 组合尺寸 | 滑块尺寸 | ||||||||||
|---|---|---|---|---|---|---|---|---|---|---|---|---|
| H | E | W2 | W | L | B x J | M x l | L1 | T | K | T1 | Q | |
| SJ 5 | 6 | 1.5 | 3.5 | 12 | 16.9 | 8x- | M2x1.5 | 8.8 | - | 4.5 | 0.8 | - |
| SJ 7 | 8 | 1.5 | 5 | 17 | 22.9 | 12x8 | M2x2.5 | 13.5 | 3.3 | 6.5 | 1.6 | Φ 1 |
| SJL 7 | 32.4 | 12x13 | 23 | |||||||||
| SJ 9 | 10 | 2.2 | 5.5 | 20 | 30.4 | 15x10 | M3x3 | 17.8 | 4.5 | 7.8 | 2.3 | Φ 1 |
| SJL 9 | 40.8 | 15x16 | 28.2 | |||||||||
| SJ 12 | 13 | 3 | 7.5 | 27 | 35 | 20x15 | M3x3.5 | 19.8 | 5.5 | 10 | 2.7 | Φ 1 |
| SJL 12 | 47.6 | 20x20 | 32.4 | |||||||||
| SJ 15 | 16 | 4 | 8.5 | 32 | 43 | 25x20 | M3x4 | 25.4 | 6.5 | 12 | 3.1 | Φ 1 |
| SJL 15 | 58.8 | 25x25 | 41.2 | |||||||||
| 型号规格 | 滑轨尺寸 | 额定负荷 | 额定力矩 | 重量 | |||||||||
|---|---|---|---|---|---|---|---|---|---|---|---|---|---|
| W1 | H1 | F | m | G | 标准最 大尺寸 |
动负荷(C) N |
动负荷(C0) N |
MR0 N·m |
MP0 N·m |
MY0 N·m |
滑块 kg |
滑轨 kg/m |
|
| SJ 5 | 5 | 4 | 15 | 2 | 5 | 295 | 320 | 590 | 0.15 | 0.22 | 0.22 | 0.003 | 0.14 |
| SJ 7 | 7 | 4.7 | 15 | 3 | 5 | 490 | 880 | 1370 | 0.3 | 0.3 | 0.5 | 0.010 | 0.23 |
| SJL 7 | 1590 | 2500 | 0.8 | 0.8 | 0.9 | 0.015 | |||||||
| SJ 9 | 9 | 5.5 | 20 | 4 | 7.5 | 1195 | 1420 | 2900 | 1.06 | 0.52 | 0.52 | 0.013 | 0.32 |
| SJL 9 | 2597 | 3920 | 1.87 | 1.79 | 1.79 | 0.023 | |||||||
| SJ 12 | 12 | 7.5 | 25 | 4 | 10 | 1195 | 2460 | 3626 | 1.5 | 0.82 | 0.89 | 0.029 | 0.59 |
| SJL 12 | 4214 | 6566 | 2.72 | 2.45 | 2.66 | 0.043 | |||||||
| SJ 15 | 15 | 9.5 | 40 | 4 | 15 | 1190 | 4018 | 5978 | 3.80 | 1.68 | 1.83 | 0.052 | 0.99 |
| SJL 15 | 7154 | 10682 | 5.41 | 5.03 | 5.46 | 0.079 | |||||||

| 型号规格 | 组合尺寸 | 滑块尺寸 | ||||||||||
|---|---|---|---|---|---|---|---|---|---|---|---|---|
| H | E | W2 | W | L | B x J | M x l | L1 | T | K | T1 | Q | |
| SJW 7 | 9 | 1.9 | 5.5 | 25 | 31.2 | 19x10 | M3x3 | 21 | 3.8 | 7.1 | 1.85 | Φ 1 |
| SJWL 7 | 41 | 19x19 | 30.8 | |||||||||
| SJW 9 | 12 | 3.7 | 6 | 30 | 42.3 | 21x12 | M3x3 | 27 | 4.5 | 8.3 | 3.1 | Φ 1 |
| SJWL 9 | 50.3 | 23x24 | 35 | |||||||||
| SJW 12 | 14 | 4 | 8 | 40 | 48.4 | 28x15 | M3x3.5 | 30.9 | 5.5 | 10 | 2.4 | Φ 1 |
| SJWL 12 | 59.5 | 28x28 | 42 | |||||||||
| SJW 15 | 16 | 3.7 | 9 | 60 | 57.5 | 45x20 | M4x4.5 | 38.9 | 6.5 | 12.3 | 2.6 | Φ 2.7 |
| SJWL 15 | 73.4 | 45x35 | 54.8 | |||||||||
| 型号规格 | 滑轨尺寸 | 额定负荷 | 额定力矩 | 重量 | ||||||||||
|---|---|---|---|---|---|---|---|---|---|---|---|---|---|---|
| W1 | H1 | W3 | F | m | G | 标准最 大尺寸 |
静负荷(C) N |
静负荷(C0) N |
MR0 N·m |
MP0 N·m |
MY0 N·m |
滑块 kg |
滑轨 kg/m |
|
| SJW 7 | 14 | 5.2 | - | 30 | 4 | 10 | 1190 | 1400 | 2100 | 1.6 | 0.73 | 0.73 | 0.02 | 0.51 |
| SJWL 7 | 1800 | 3200 | 2.39 | 1.58 | 1.58 | 0.03 | ||||||||
| SJW 9 | 18 | 7.5 | - | 30 | 4 | 10 | 1190 | 2450 | 3920 | 3.67 | 1.66 | 1.66 | 0.03 | 0.99 |
| SJWL 9 | 3520 | 5370 | 4.94 | 3.10 | 3.10 | 0.05 | ||||||||
| SJW 12 | 24 | 8.5 | - | 40 | 5 | 15 | 1190 | 4020 | 6080 | 4.86 | 1.75 | 1.9 | 0.05 | 1.42 |
| SJWL 12 | 5960 | 9210 | 9.1 | 4.73 | 5.93 | 0.043 | ||||||||
| SJW 15 | 42 | 9.5 | 23 | 40 | 5 | 15 | 1190 | 6660 | 9800 | 13.97 | 3.6 | 3.9 | 0.12 | 2.93 |
| SJWL 15 | 9910 | 14900 | 25.5 | 9.73 | 11.0 | 0.21 | ||||||||








